- 產品介紹
2.2kw風機參數:2GH520-H26
| 最大流量 | m3/h | 120 |
| 真空吸力 | mbar | -470 |
| 額定吹力 | mbar | 460 |
| 頻率 | Hz | 50 |
| 電壓 | V | △200-240/Y345-415 |
| 電流消耗 | A | 11.4△/6.6Y |
| 功率 | kW | 2.2 |
| 電機轉數 | min-1 | 2800 |
| 重量 | Kg | 40 |
| 噪音值 | dB (A) | 64 |



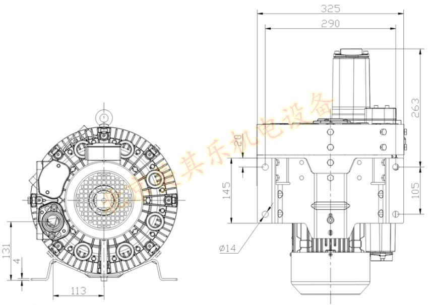
2.2kw風機尺寸如下:型號2GH520-H37

4kw風機性能參數如下:
| 最大流量 | m3/h | 120 |
| 真空吸力 | mbar | -500 |
| 額定吹力 | mbar | 820 |
| 頻率 | Hz | 50 |
| 電壓 | V | △345-415/Y600-720 |
| 電流消耗 | A | 9.0△ |
| 功率 | kW | 4 |
| 電機轉數 | min-1 | 2800 |
| 重量 | Kg | 51 |
| 噪音值 | dB (A) | 65 |
4kw風機尺寸圖:









